Product Feature
Most of the features of the AC-A and AC-B have been incorporated into the AC-D clear bowl shroud for complete visibility; embedded gauges and pressure switches; reduced maintenance space and simplified element replacement for the AF-D series filters.
1. Modular design with uniform body style. Mounting interchangeable with existing product
2. Extended range of pipe adapters, interfaces and modular pressure switches.
3. Easy element replacement. Element and bowl are one piece. Replacement can be done manually.
4. Energy saving regulator. Pressure drop: Max. 50% improvement
5. Reduced maintenance space: Max. 46% reduction
6. Rc, NPT or G threads available.
Order Example:
Option/Semi-standard: Select one each for a to j.
Option/Semi-standard symbol: When more than one specification is required, indicate in alphanumeric order.
Model: AC30A-F03DE1-16NR-D
Symbol


- Drain guide is NPT1/8 (applicable to the AC20-D) and NPT1/4 (applicable to the AC30-D to AC60-D). The auto drain port comes with a Φ3/8″ One-touch fitting (applicable to the AC30-D to AC60-D).
- Drain guide is G1/8 (applicable to the AC20-D) and G1/4 (applicable to the AC30-D to AC60-D).
- When pressure is not applied, condensate which does not start the auto drain mechanism will be left in the bowl. Releasing the residual condensate before ending operations for the day is recommended.
- If the compressor is small [0.75 kW, discharge flow is less than 100 L/min (ANR)], air leakage from the drain cock may occur during the start of operations. N.C. type is recommended.
- When the pressure gauge is attached, a 1.0 MPa pressure gauge will be fitted for standard (0.85 MPa) type. 0.4 MPa pressure gauge for 0.2 MPa type.
- Pressure can be set higher than the specification pressure in some cases, but use pressure within the specification range.
- A bowl guard is provided as standard equipment (polycarbonate).
- A bowl guard is provided as standard equipment (nylon).
- The combination of float type auto drain C and D is not available.
- Without a valve function.
- The combination of metal bowl 2 and 8 is not available.
- When choosing with W: Air filter drain port, the drain cock of a lubricator will be with barb fittings.
- For the pipe thread type: NPT Cannot be used with M: Round type pressure gauge (with color zone). Available by request for special. The digital pressure switch will be equipped with the unit selection function, setting to psi initially.
- For options: E1, E2, E3, E4
- For the pipe thread type: NPT only
- Select with options: E1, E2, E3, E4
Specifications
- Pressure gauge connection threads are not available for F.R.L. unit with a square embedded type pressure gauge or with a digital pressure switch.
- -5 to 50°C for the products with the digital pressure switch.
- The compressed air purity class is indicated based on ISO 8573-1:2010 Compressed air – Part 1: Contaminants and purity classes.
- The compressed air quality class on the inlet side is [ 7 : 4 : 4 ].
- The flow rate is 5 drops or greater/min under the following conditions: Inlet pressure of 0.5 MPa; Class 1 turbine oil (ISO VG32); Temperature at 20°C; Oil adjustment valve fully open. For a circuit that repeatedly turns ON and OFF on the outlet side, make the adjustment so that the average air consumption per minute becomes the minimum dripping flow rate or more.
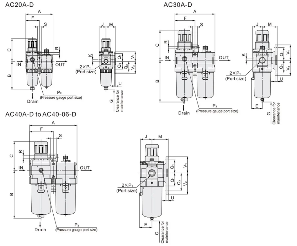
Main Dimensions




Request a Quote Now
Our team will get back to you within 24 hours.